Hệ thống cảnh báo điểm mù là công nghệ an toàn – hiện đại trên xe ô tô, giúp phát hiện và cảnh báo các phương tiện hoặc vật thể nằm trong vùng điểm mù – khu vực mà gương chiếu hậu không thể quan sát. Cùng tìm hiểu chi tiết về hệ thống này qua bài viết kỹ thuật sau đây của VATC nhé!
1. Điểm mù là gì?
Điểm mù là những khoảng không gian xung quanh xe bị che khuất và nằm ngoài tầm nhìn của các tài xế. Các vị trí điểm mù thường gặp là gương cánh bên phải, đuôi xe, và tất cả những điểm mà người lái không thể quan sát bằng gương chiếu hậu cũng như nhìn trực tiếp.
Điểm mù trở nên đặc biệt nguy hiểm khi nười lái chuyển làn, rẽ ở các ngã tư hoặc đậu xe vào bãi. Khi đó, các điểm mù làm người điều khiển không thể nhìn thấy những xe chạy cùng làn hoặc khách làn từ phía sau, nhưng xe đang chạy cắt qua giao lộ… Khiến việc chủ động quan sát để xử lý tình huống trở nên khó khăn hơn.
2. Hệ thống giám sát và cảnh báo điểm mù và cảnh báo phương tiện cắt ngang khi lùi
- Hệ thống cảnh báo điểm mù: một hệ thống giám sát điểm mù gồm các bộ phát sóng điện từ gắn trên gương chiếu hậu, quanh thân xe hoặc cản sau có nhiệm vụ phát ra sóng điện từ khi xe đang di chuyển. Ngoài ra, có thể có thêm camera được đặt trên hai gương chiếu hậu.
- Hệ thống cảnh báo phương tiện cắt ngang khi lùi: đây là một chức năng của hệ thống cảnh báo điểm mù, thu nhận tín hiệu từ các cảm biến của hệ thống để cảnh báo người lái là có phương tiện sắp chạy qua khi xe đang lùi.
3. Khái quát hệ thống
Hệ thống theo dõi điểm mù thực hiện hai chức năng bằng cách cùng sử dụng các cảm biến theo dõi điểm mù: Chức năng giám sát điểm mù(BSM) và chức năng cảnh báo giao thông cắt ngang phía sau (RCTA).
Chức năng theo dõi điểm mù (BSM) và chức năng RCTA có thể được kích hoạt hay vô hiệu hóa từ bảng thiết lập của màn hình đa thông tin.
Hệ thống theo dõi điểm mù bao gồm 2 cảm biến giám sát điểm mù, cảm biến vô lăng, cảm biến xoay xe, cụm gương chiếu hâu bên ngoài 2 bên.
Hệ thống theo dõi điểm mù sử dụng các cảm biến để phát hiện các xe đang ở trong hoặc đang tiếp cận nhanh với các điểm mù của xe, giúp cho người lái xác nhận để đảm bảo an toàn khi chuyển làn.

Nếu chức năng RCTA phát hiện một xe đang đến gần từ bên phải hoặc bên trái phía sau khi xe đang được lùi vào khoang đỗ, chức năng này sẽ cảnh báo cho người lái bằng cách phát ra tiếng kêu cảnh báo RCTA và nhấp nháy đèn chỉ báo trên gương chiếu hậu bên ngoài nhằm cung cấo thêm thông tin cho người lái đưa ra quyết định.

4. Các lưu ý của hệ thống BSM và RCTA
– Chức năng theo dõi điểm mù có thể sẽ không phát hiện chính xác các xe trong điều kiện sau:
- Khi cảm biến lệch do tác động mạnh vào cảm biến hoặc xung quanh cảm biến
- Khi bùn, tuyết, băng, stcker,… dính lên cảm biến hoặc khu vực xung quanh cảm biến trên cản sau.
- Khi lái xe trên mặt đường ướt, có nước đọng hoặc có tuyết khi thời tiết xấu như mưa lớn, tuyết rơi hoặc sương mù.
- Khi có nhiều xe tiến lại gần nhau với khoảng cách nhỏ giữa từng xe.
- Khi khoảng cách giữa xe bạn và xe phía trước là quá ngắn.
- Khi có sự chênh lệch tốc độ đáng kể giữa xe của bạn và một xe khác đang thay đổi.
- Khi một chiếc xe đi vào cùng phát hiện có cùng tốc độ với xe của bạn.
- Khi chiếc xe nà khởi động từ một điểm dừng, có một xe vẫn nằm trong khi vực phát hiện.
- Khi lái xe lên hoặc xuống dốc đứng liên tục như đồi, những chỗ trũng trên đường,…
- Khi lái xe trên đường có nhiều đoạn của gấp, các đường cong liên tiếp hoặc đường gồ ghề.
- Khi làn xe rộng, hoặc khi lái xe sát mép của làn, và có xe đang ở làn khác lân cận đi ra xa khỏi chiếc xe của bạn.
- Khi kéo móc phía sau.
- Khi có sự chênh lệch độ cao đáng kể giữa xe của bạn và xe đi vào vùng phát hiện
- Ngay sau khi hệ thống theo dõi điểm mù được bật.
– Chức năng theo dõi điểm mù không được thiết kế để phát hiện những loại phương tiện hoặc đồ vật sau:
- Các xe đi ngược chiều.
- Các xe máy nhỏ, xe đạp, người đi bộ,…
- Những xe đi sau trong cùng một làn đường.
- Dải phần cách, bức tường, biến báo, các xe đang đang đỗ và các vật đang đứng yên.
- Các xe chạy cắt ngang cách 2 làn đường.
– Lưu ý khi thao tác với cảm biến radar:
- Giữ các cảm biến và khu vực xung quanh cản sau của xe luôn sạch sẽ.
- Không để cảm biến hoặc khu vực xung quanh của cảm biến trên cản sau bị va chạm mạnh. Nếu một cảm biến bị lệch khỏi vị trí dù chỉ một chút, hệ thống cũng có thể bị lỗi và không thể phát hiện các xe khác một cách chính xác.
- Không tháo rời cảm biến.
- Không gắn các miếng dán vào cảm biến hoặc khu vực xung quanh cản sau.
- Không sửa đổi bộ cảm biến hoặc khu vực xung quanh trên cản sau.
- Không được sơn bất kỳ màu nào khác lên cản sau ngoài màu toyota chính thức.
- Không để cảm biến bị rơi hoặc bị va chạm mạnh vì nó là một thiết bị có độ chính xác cao.
- Không sử dụng lại cảm biến đã bị rơi hoặc bị va chạm mạnh.
Tham khảo ngay: Khoá học Kỹ thuật sửa chữa ô tô toàn diện, chất lượng nhất thị trường
5. Mô tả hệ thống
5.1 Vị trí các chi tiết


5.2 Hiển thị chức năng RCTA
Màn hình kết hợp của hệ thống giám sát hỗ trợ đỗ xe, được liên kết với chức năng RCTA, sử dụng để hiển thị biểu tượng RCTA trong khi hình ảnh đang được hiển thị bởi hệ thống giám sát hỗ trợ đỗ xe.
Hướng của phương tiện đến gần được hiển thị trên bộ thu của hệ thống nghe nhìn.

5.3 Hoạt động của đèn chỉ báo trên gương chiếu hậu bên ngoài xe và chuông cảnh báo của hệ thống
Khi bật hệ thống theo dõi điểm mù với công tắc động cơ ở trạng thái ON, các đèn chỉ báo trên gương chiếu hậu bên ngoài xe sẽ sáng trong 3 giây.
Khi bật chức năng RCTA với công tắc động cơ đang ở trạng thái ON, các đèn chỉ báo trên gương chiếu hậu bên ngoài xe sẽ sáng lên trong 3 giây và chuông của hệ thống RCTA sẽ kêu trong 1 giây.
Khi bật công tắc động cơ sang trạng thái ON với hệ thống BSM đang được bật thì các đèn chỉ báo bên gương chiếu hậu sẽ sáng lên trong 3 giây.
Hoạt động của từng chức năng
a. Hoạt động cho hệ thống theo dõi điểm mù
Khi cảm biến phát hiện thấy có xe trong khu vực điểm mù của xe, đèn chỉ báo trên gương chiếu hậu bên ngoài xe sẽ sáng lên.
Nếu bật công tắc xi nhan trong khi cảm biến đang phát hiện thấy có xe trong khu vực điểm mù và đèn chỉ báo trên gương chiếu hậu bên ngoài xe đang bật sáng, đèn chỉ báo sẽ bắt đầu nhấp nháy như trong hình.

b. Hoạt động cho chức năng RCTA
Khi tất cả các điều kiện của chức năng RCTA được thỏa mãn, các đèn chỉ báo trên gương chiếu hậu bên ngoài xe sẽ nhấp nháy trong 2,5 giây và chuông báo của hệ thống RCTA sẽ kêu trong 2,3 giây.

5.4 Hoạt động trên đồng hồ taplo
– Hiển thị chỉ báo:
- Khi hệ thống theo dõi điểm mù đang bật, đèn chỉ báo BSM sẽ sáng.
- Khi RCTA tắt, chỉ báo RCTA OFF sáng.
- Khi có một sự cố xảy ra, từng đèn chỉ báo sẽ nháy, chuông báo của đồng hồ kêu và thông điệp cảnh báo được hiển thị trên màn hình đa thông tin, để thông báo cho người lái biết về một sự cố của hệ thống.

– Hiển thị cảnh báo: Khi một sự cố xảy ra trong hệ thống theo dõi điểm mù hoặc hệ thống theo dõi điểm mù không khả dụng, sẽ có một cảnh báo được hiển thị trên màn hình đa thông tin và chuông báo kêu để thông báo cho người lái rằng hệ thông đang không khả dụng.
| Hạng mục cảnh báo | Màn hình hiển thị đa thông tin |
|
Sự cố Hệ thống theo dõi điểm mù |
Điểm mù Bộ theo dõi Lỗi
Visit Your Dealer |
| Hệ thống theo dõi điểm mù tạm thời không khả dụng | Điểm mù Bộ theo dõi
Không khả dụng |
|
Sự cố RCTA |
Cảnh báo giao thông cắt ngang phía sau Lỗi
Visit Your Dealer |
| Bụi bẩn, băng, tuyết, bùn lầy trên cảm biến theo dõi điểm mù | Cảnh báo giao thông cắt ngang phía sau Không khả dụng |
5.5 Cấu tạo
- Cảm biến theo dõi điểm mù bao gồm một mạch radar sóng milimet và mạch xử lý tín hiệu.
- Radar sóng milimet sử dụng tần số băng tần 24GHz.

- Khoảng cách đến đối tượng, góc phương vị, và tốc độ tương đối được tính toán từ các thông tin cung cấp bởi radar sóng milimet phản xạ như mô tả dưới đây:
| Hạng mục | Phương pháp tính toán |
|
Khoảng cách |
Được tính toán từ khoảng thời gian đã trôi qua kể từ khi sóng của radar sóng milimet đã được phát ra, cho đến khi các sóng phản xạ được nhận bởi mạch của radar sóng milimet. Khoảng cách khoảng 70 m (230 ft.). |
| Góc phương vị | Được tính toán từ góc tiếp nhận của sóng radar milimet phản xạ. Góc phát hiện theo phương ngang xấp xỉ 150° và phương dọc khoảng 20 °. |
| Tốc độ tương đối | Tính toán bằng cách tận dụng sự thay đổi (hiệu ứng Doppler*) xảy ra ở tần số của sóng radar sóng milimet phản xạ. |
5.6 Chức năng của các bộ phận chính
| Các bộ phận | Chức năng |
| Cảm biến bên trái của hệ thống theo dõi điểm mù | Các sóng milimet phátt ra từ cảm biến theo dõi điểm mù đến vùng phát hiện của cảm biến điểm mù, sử dụng sóng milimet phản xạ để phát hiện sự hiện diện của một chiếc xe, khoảng cách giữa các xe, và tốc độ tương đối, rồi gửi thông tin này cho mạch xử lý tín hiệu tích hợp.
Mạch xử lý tín hiệu xác định xem liệu có chiếc xe nào đang ở trong khu vực điểm mù không, rồi bật sáng hoặc nhấp nháy đèn chỉ báo trên gương chiếu hậu bên ngoài xe tương ứng. Làm đèn chỉ báo gương chiếu hậu bên ngoài sáng mờ. |
| Cảm biến bên phải của hệ thống theo dõi điểm mù | |
| – Gương chiếu hậu ngoài xe bên trái
– Đèn chỉ báo gương chiếu hậu bên ngoài |
Bật sáng để thông báo cho người lái rằng đã phát hiện một chiếc xe ở trong khu vực phát hiện của cảm biến theo dõi điểm mù.
Nhấp nháy để thông báo cho người lái khi cần xi nhan được gạt nếu phát hiện một chiếc xe ở trong khu vực phát hiện của cảm biến theo dõi điểm mù. |
| – Gương chiếu hậu ngoài xe bên phải
– Đèn chỉ báo gương chiếu hậu bên ngoài |
|
|
– Cụm đồng hồ táplô – Chỉ báo BSM – Chỉ báo RCTA OFF – Màn hình hiển thị đa thông tin |
Gửi tính hiệu bật/tắt hệ thống theo dõi điểm mù và tín hiệu thiết lập đến cảm biến theo dõi điểm mù bên trái và bên phải.
Gửi tính hiệu đèn xi nhan đến cảm biến theo dõi điểm mù bên trái và bên phải. Bật sáng để thông báo cho người lái khi hệ thống theo dõi điểm mù tắt. Gửi tính hiệu bật/tắt RCTA đến cảm biến theo dõi điểm mù bên trái. Khi RCTA tắt, chỉ báo RCTA OFF sẽ sáng. Hiển thị một thông điệp cảnh báo để cảnh báo người lái khi phát hiện một cảm biến theo dõi điểm mù gặp sự cố hoặc khi nó xác định rằng mất điều khiển cảm biến theo dõi điểm mù. Gửi thông tin tùy chỉnh đến cảm biến theo dõi điểm mù bên trái. |
| Cụm công tắc mặt vô lăng | Gửi các tín hiệu hoạt động từ công tắc sang bộ cáp xoắn. |
|
– Cáp xoắn – Cảm biến vô lăng |
Gửi tín hiệu hoạt động từ cụm công tắc trên mặt vô lăng đến cụm đồng hồ táp lô.
Gửi tín hiệu góc lái tới cảm biến theo dõi điểm mù bên trái và bên phải. |
| – Cụm ECU túi khí
– Cảm biến độ lệch hướng |
Gửi thông tin góc xoay xe đến cảm biến theo dõi điểm mù bên trái và bên phải |
| ECM*1 | Gửi tín hiệu lùi xe tới cảm biến theo dõi điểm mù bên trái và bên phải. |
| ECU điều khiển xe hybrid*2 | |
| – Bộ chấp hành phanh*1
– ECU kiểm soát trượt |
Gửi tín hiệu tốc độ xe đến cảm biến theo dõi điểm mù bên trái và bên phải. |
| – Cụm bầu trợ lực phanh cùng với xy lanh phanh chính*2
– ECU kiểm soát trượt |
|
| – ECU điều khiển gương chiếu hậu phía ngoài bên trái | Truyền tín hiệu đèn chỉ báo đến cụm gương chiếu hậu bên ngoài xe. |
| – ECU điều khiển gương chiếu hậu bên ngoài xe bên phải | |
| – Chuông RCTA (Chuông báo bộ theo dõi điểm mù) | Phát ra âm thanh khi phát hiện một chiếc xe trong khu vực phát hiện cảm biến theo dõi điểm mù trong khi đang lùi xe. |
| Bộ camera lùi | Biểu tượng RCTA được hiển thị đè lên trên ảnh chụp. Sau đó, hình ảnh được gửi tới bộ thu của hệ thống nghe nhìn. |
| Rađiô và màn hình hiển thị | Hiển thị vị trí của vật cản và khoảng cách tương đối giữa xe và vật cản. |
| ECU thân xe (ECU mạng phức hợp) | Gửi tín hiệu điểm đến, tín hiệu bật sáng và tín hiệu sáng mờ đến cảm biến theo dõi điểm mù bên trái và bên phải. |
| ECU trung tâm (Network Gateway ECU) | Phân phối và truyền tín hiệu dữ liệu của mạng thông tin CAN. |
5.7 Điều khiển hệ thống
– Hệ thống theo dõi điểm mù hoạt động khi tất cả các điều kiện sau được thỏa mãn:
- Hệ thống theo dõi điểm mù đã bật.
- Khi cần số ở vị trí khác R.
- Tốc độ xe lớn hơn khoảng 16 km/h.
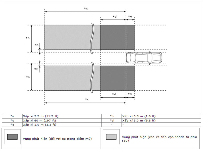
– Hệ thống theo dõi điểm mù có thể phát ra xe ở trong khu vực phát hiện của nó:
- Các khu vực phát hiện được tạo bởi cảm biến theo dõi điểm mù bên trái và bên phải như hình dưới đây:

– Hệ thống RCTA hoạt động khi thỏa mãn các điều kiện sau đây:
- Chức năng RCTA bật.
- Chọn số lùi (R).
- Tốc độ của xe nhỏ hơn khoảng 8 km/h.
- Tốc độ của xe mục tiêu là giữa khoảng 8 km/h – 28 km/h.
Chức năng RCTA có thể phát hiện được những xe trong khu vực phát hiện của nó: Hệ thống này liên tục đo tốc độ tương đối của chiếc xe đang đến gần và khoảng các của nó. Nếu nó được xác định rằng chiếc xe đang đến gần sẽ tạt ngang đường chiếc xe của bạn, thời gian tạt ngang dự kiến ECT (Estimated Crossing Time) sẽ được tính. Khi ECT là 2.5 giây hoặc ít hơn, hệ thống sẽ cảnh báo người lái bằng cách nhảy đèn cảnh báo gương chiếu hậu bên ngoài và phát chuông báo RCTA.

6. Các hư hỏng
– Hệ thống:
| Triệu chứng | Khu vực nghi ngờ |
|
Hệ thống không hoạt động |
Chuyển đến mục “Mạch nguồn cấp” |
| Hệ thống mạng CAN*1 | |
| Hệ thống mạng CAN *2 | |
| Cảm biến theo dõi điểm mù bên trái | |
| Các nút điều khiển trên mặt vô lăng | |
| Cáp xoắn | |
| Hệ thống đồng hồ đo / đồng hồ báo | |
|
Không thể tắt hệ thống |
Hệ thống mạng CAN*1 |
| Hệ thống mạng CAN *2 | |
| Cảm biến theo dõi điểm mù bên trái | |
| Các nút điều khiển trên mặt vô lăng | |
| Cáp xoắn | |
| Hệ thống đồng hồ đo / đồng hồ báo | |
|
Thông báo “Blind Spot Monitor Unavailable” hoặc “Blind Spot Monitor System Malfunction Visit Your Dealer” xuất hiện trên màn hình đa thông tin |
Kiểm tra lịch sử hoạt động bất thường |
| Cảm biến theo dõi điểm mù bên phải | |
| Cảm biến theo dõi điểm mù bên trái | |
| Đồng hồ táplô |
– Chức năng theo dõi điểm mù:
| Triệu chứng | Khu vực nghi ngờ |
|
Đèn chỉ báo trên gương chiếu hậu bên ngoài xe bên phải sáng liên tục |
Chuyển đến mục “Xác nhận góc làm việc của hệ thống theo dõi điểm mù” |
| Cảm biến theo dõi điểm mù bên phải | |
|
Đèn chỉ báo trên gương chiếu hậu bên ngoài xe bên trái sáng liên tục |
Chuyển đến mục “Xác nhận góc làm việc của hệ thống theo dõi điểm mù” |
| Cảm biến theo dõi điểm mù bên trái | |
|
Đèn chỉ báo trên gương chiếu hậu bên ngoài xe bên phải không nháy |
Chuyển đến mục “Đèn xi nhan” trong Bảng triệu chứng hư hỏng của phần Hệ thống đèn (Bên ngoài xe) |
| Cảm biến theo dõi điểm mù bên phải | |
|
Đèn chỉ báo trên gương chiếu hậu bên ngoài xe bên trái không nháy |
Chuyển đến mục “Đèn xi nhan” trong Bảng triệu chứng hư hỏng của phần Hệ thống đèn (Bên ngoài xe) |
| Cảm biến theo dõi điểm mù bên trái | |
| Đèn chỉ báo trên gương chiếu hậu bên ngoài xe bên phải nháy liên tục | Cảm biến theo dõi điểm mù bên phải |
| Đèn chỉ báo trên gương chiếu hậu bên ngoài xe bên trái nháy liên tục | Cảm biến theo dõi điểm mù bên trái |
| Đèn chỉ báo trên gương chiếu hậu bên ngoài xe bên phải không sáng | Chuyển đến mục “Xác nhận góc làm việc của hệ thống theo dõi điểm mù” |
| Gương chiếu hậu bên ngoài xe bên phải | |
| ECU điều khiển gương chiếu hậu bên ngoài xe bên phải | |
| Gương chiếu hậu phía ngoài bên phải | |
| Cảm biến theo dõi điểm mù bên phải | |
| Đèn chỉ báo trên gương chiếu hậu bên ngoài xe bên trái không sáng | Chuyển đến mục “Xác nhận góc làm việc của hệ thống theo dõi điểm mù” |
| Gương chiếu hậu bên ngoài xe bên trái | |
| ECU điều khiển gương ngoài bên trái | |
| Gương chiếu hậu phía ngoài bên trái | |
| Cảm biến theo dõi điểm mù bên trái |
– Chức năng RCTA
| Triệu chứng | Khu vực nghi ngờ |
|
Chức năng này hoàn toàn không hoạt động (Chức năng theo dõi điểm mù hoạt động bình thường) |
Danh mục dữ liệu / Thử kích hoạt (Số lùi) |
| Hệ thống điều khiển hybrid*2 | |
| Hệ thống hộp số vô cấp*1 | |
| Cảm biến theo dõi điểm mù bên trái | |
|
Thông báo “Rear Cross Traffic Alert Malfunction Visit Your Dealer” hoặc “Rear Cross Traffic Alert Unavailable” xuất hiện trên màn hình đa thông tin |
Kiểm tra lịch sử hoạt động bất thường |
| Cảm biến theo dõi điểm mù bên trái | |
| Cảm biến theo dõi điểm mù bên phải | |
| Đồng hồ táplô | |
| Trong khi chức năng RCTA đang hoạt động, đèn chỉ báo trên gương chiếu hậu bên ngoài xe nhấp nháy nhưng chuông báo của hệ thống RCTA không kêu |
Chuyển đến mục “Chuông báo không kêu” |
Trên đây là toàn bộ thông tin chi tiết về hệ thống cảnh báo điểm mù, chúng tôi hy vọng bạn đã có thêm cho mình kiến thức hay trong ngày.
Và nếu bạn có đang đam mê hoặc muốn tìm hiểu về các khóa học trong ngành ô tô thì liên hệ ngay với VATC theo thông tin dưới đây để được tư vấn chi tiết nhất nhé!
Trung Tâm Huấn Luyện Kỹ Thuật Ô Tô Việt Nam – VATC
- Địa chỉ: Số 4-6, Đường số 4, Phường Hiệp Bình Phước, Thành Phố Thủ Đức, Thành phố Hồ Chí Minh
- Điện thoại: 0945711717
- Email: info@oto.edu.vn
Xem thêm:

