Hệ thống gạt nước mưa, rửa kính ô tô sẽ đảm nhiệm chức năng gạt mưa hay phun nước để rửa sạch bụi bẩn bám trên kính chắn gió nhằm đảm bảo tầm nhìn tốt nhất cho người lái. Đảm bảo tính an toàn khi tham gia giao thông. Bộ phận này thường ít hư hỏng và nguyên lý, cấu tạo của chúng cũng khá cơ bản. Hôm nay các bạn hãy cùng Oto.edu.vn tìm hiểu những thông tin về chúng ngay dưới đây nhé!
Cấu tạo của hệ thống gạt nước mưa ô tô
Hệ thống gạt mưa ô tô gồm những bộ phận cơ bản sau: Cụm công tắc điều khiển gạt mưa, rửa kính, bơm nước, cụm motor gạt nước, bơm nước, lưỡi gạt nước, bình nước rửa kính, vòi phun nước.
Cụm công tắc gạt mưa
Tùy thuộc vào từng mẫu xe, từng phiên bản mà hệ thống gạt nước mưa ô tô có các chế độ điều khiển khác nhau. Về cơ bản, nó sẽ có những chế độ như: bật/tắt phun nước rửa kính; đối với chức năng gạt nước sẽ có nhiều chế độ như: Off – tắt, Low – gạt với tốc độ chậm, High – gạt với tốc độ cao, Mist – đi trong trời nhiều sương mù, INT – gạt gián đoạn.

- Tìm hiểu hệ thống gạt nước mưa
Motor gạt mưa
Là động cơ điện một chiều có hai tốc độ quay nhanh và chậm. Công tắc dạng cam có tác dụng làm cho motor luôn dừng ở một vị trí cố định. Vậy nên thanh gạt nước luôn được đảm bảo dừng đúng điểm dưới cùng của kính chắn gió khi tắt công tắc gạt nước. Chức năng này được thực hiện như sau, mời các bạn học sửa chữa ô tô tại VATC tham khảo tại đây:

- Cấu tạo mô tơ gạt mưa ô tô
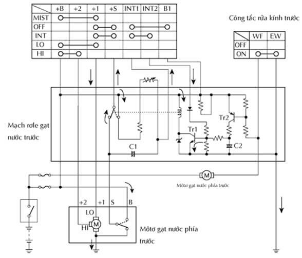
Công tắc này có đĩa cam xẻ rãnh hình chữ V và 3 điểm tiếp xúc. Khi công tắc gạt nước ở vị trí LO/HI, điện áp ắc quy được đặt vào mạch điện đi vào motor gạt nước thông qua công tắc của hệ thống gạt nước làm cho motor gạt nước quay.
Tuy nhiên, ở thời điểm công tắc gạt nước tắt, nếu như tiếp điểm P2 ở vị trí tiếp xúc mà không phải ở vị trí rãnh, thì điện áp của ắc quy vẫn được đặt vào mạch điện và dòng điện đi vào motor gạt nước tới tiếp điểm P1 qua tiếp điểm P2 làm cho motor tiếp tục quay.
Sau đó bằng việc quay đĩa cam làm cho tiếp điểm P2 ở vị trí rãnh, vậy nên dòng điện không thể đi vào mạch điện và motor hệ thống gạt nước sẽ dừng lại. Tuy nhiên, do quán tính của phần ứng, motor không dừng ngay lập tức mà vẫn tiếp tục quay thêm một chút. Kết quả là tiếp điểm P3 vượt qua điểm dẫn điện của đĩa cam.

- Tìm hiểu hệ thống gạt nước mưa
Sơ đồ mạch điện hệ thống gạt nước
Phần ứng => Cực (+1) của motor => công tắc gạt nước => cực S của motor gạt nước => tiếp điểm P1 => P3 => phần ứng. Vì phần ứng tạo ra sức điện động ngược trong mạch đóng này, vậy nên quá trình hãm motor bằng điện được tạo ra và motor được dừng lại tại điểm cố định.
Bơm nước rửa kính:
Bơm nước trong hệ thống gạt nước mưa ô tô là một bơm ly tâm do động cơ điện một chiều lai, đảm nhiệm vụ hút nước từ bình chứa phun tới kính chắn gió thông qua hệ thống ống dẫn nước và vòi phun.

- Tìm hiểu hệ thống gạt nước mưa
Mô tả chức năng hệ thống gạt nước ô tô
Hoạt động liên kết với vòi phun nước
Hệ thống này vận hành các gạt nước phía trước ở tốc độ thấp, ngay khi phun nước rửa kính với công tắc phun nước rửa kính được bật lên trong khoảng 0.3 giây trở lên. Hệ thống gạt nước mưa trước vận hành ở tốc độ thấp trong khoảng 2.2 giây, sau đó ngừng hoạt động khi công tắc phun nước rửa kính được bật On trong khoảng 1.5 giây trở lên.
Hoạt động gián đoạn của hệ thống gạt nước mưa
Hệ thống điều khiển cần gạt nước phía trước sẽ gạt một lần khoảng từ 1.6 – 10.7 giây sau khi bật công tắc cần gạt nước phía trước tới vị trí INT. Bạn có thể điều chỉnh chu kỳ gạt từ 1.6 – 10.7 giây bằng cách chỉnh vòng xoay điều chỉnh chu kỳ gạt gián đoạn.

- Tìm hiểu hệ thống gạt nước mưa
Khi công tắc gạt nước được bật tới vị trí INT, dòng điện chạy từ tụ điện đã được nạp C1 qua các cực INT1 và INT2 của công tắc điều khiển gạt nước tới transistor Tr1. Khi Tr1 bật ON, dòng điện chạy từ cực +S của công tắc điều khiển gạt nước tới cực +1 của công tắc gạt nước, tới cực +1 của motor gạt nước, tới motor gạt nước và cuối cùng tới mát thân xe và làm cho motor gạt mưa của hệ thống gạt nước mưa ô tô hoạt động.
Tại thời điểm này, dòng điện chạy từ tụ C1 đến cực INT1 của công tắc điều khiển gạt nước và sau đó tới cực INT2. Khi dòng điện chạy từ tụ C1 dừng, Tr1 sẽ ngắt để ngừng tiếp điểm rơ le và ngừng motor gạt nước. Khi tiếp điểm của rơ le tắt, tụ C1 sẽ bắt đầu nạp điện trở lại và Tr1 vẫn tắt cho tới khi quá trình nạp kết thúc. Thời gian này tương ứng với thời gian gạt gián đoạn.
Khi tụ điện C1 được nạp đầy
Tr1 sẽ bật và sau đó tiếp điểm của rơ le đóng ON, làm cho motor hoạt động trở lại. Chu kỳ này được gọi là hoạt động gián đoạn. Thời gian gạt gián đoạn có thể điều chỉnh được bằng cách dùng vòng điều chỉnh thời gian gạt gián đoạn (biến trở) để thay đổi thời gian nạp của tụ C1.
Như vậy, chúng ta có thể thấy được rằng hệ thống gạt mưa ô tô có kết cấu và nguyên lý làm việc khá phức tạp. Việc hiểu rõ hệ thống cấu tạo và hoạt động ra sao sẽ giúp bạn dễ dàng đưa ra những nhận xét chính xác những hư hỏng có thể phát sinh trong quá trình sử dụng.
Xem tin tương tự: Tìm hiểu hệ thống điều khiển ghế lái ô tô
Hy vọng với bài viết này, sẽ giúp các học viên và các bạn đang theo dõi trung tâm VATC hiểu hơn cơ bản về hệ thống gạt nước mưa ô tô. Chúc các bạn học tập tốt để có được một kiến thức vững chắc hơn trong nghề. Nếu còn thắc mắc vui lòng liên hệ theo thông tin dưới đây để được tư vấn hoàn toàn miễn phí nhé!
Trung Tâm Huấn Luyện Kỹ Thuật Ô Tô Việt Nam – VATC
- Địa chỉ: Số 4-6, Đường số 4, Phường Hiệp Bình Phước, Thành Phố Thủ Đức, Thành phố Hồ Chí Minh
- Điện thoại: 0945711717
- Email: info@oto.edu.vn

