Mã lỗi P0090 là mã lỗi mạch van điều khiển áp suất nhiên liệu, được hiển thị trên máy chẩn đoán là Fuel Pressure Regulator Control Circuit, mã lỗi này tương tự với các mã lỗi P0089, P0091 và P0092. Sau đây các bạn hãy cùng trung tâm VATC tìm hiểu.
Nguyên nhân và triệu chứng khi mã lỗi P0090 xuất hiện
Nguyên nhân xuất hiện mã lỗi P0090 có thể do 4 trường hợp: Dây truyền tín hiệu bị hở hoặc ngắn mạch; bị lỗi bộ điều chỉnh áp suất nhiên liệu; mạch điều khiển có kết nối kém; hoặc do module điều khiển động cơ đang bị lỗi.

Mỗi khi lỗi xảy ra, chúng sẽ có những triệu chứng cơ bản để các ktv có thể nhận biết như: Xe chạy yếu, tiêu hao nhiên liệu bất thường, lỗi đèn động cơ sáng trên taplo. Và khi gặp hiện tượng này, các kỹ thuật viên sử dụng máy chẩn đoán để kiểm tra và phát hiện ra mã lỗi P0090 thì các bạn sẽ có hướng khắc phục:
Cách sửa lỗi van điều khiển áp suất nhiên liệu như sau:
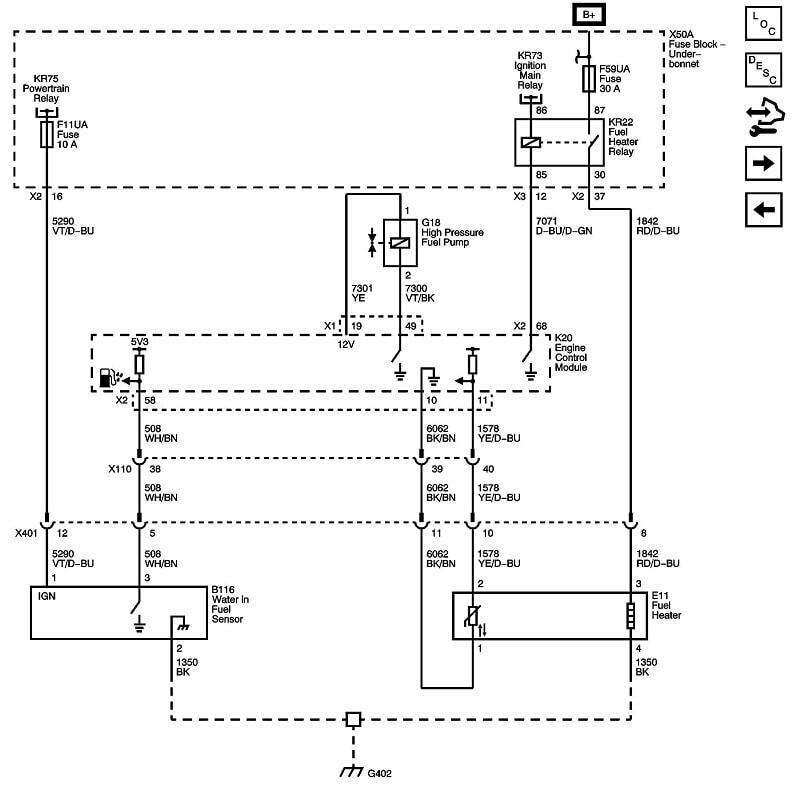
Trước khi đến với các khắc phục lỗi P0090, để các bạn có thể hình dung rõ nhất về mã lỗi và xem chuẩn hướng dẫn sửa chữa, các bạn hãy cùng xem sơ đồ mạch điện điều khiển của hệ thống mạch van điều khiển áp suất nhiên liệu.

1. Kiểm tra mạch điện của hệ thống
Để kiểm tra mạch điện của hệ thống, các bạn học sửa chữa ô tô để công tắc ở Off đồng thời ngắt kết nối ở đường dây điện G12; tiếp theo các bạn bật On công tắc và dùng 1 đèn để thử chân nguồn (chân số 1) với mass của sườn.
Trong trường hợp đèn mà bạn thử không sáng, có thể chúng đã bị chạm mass hoặc bị hở mạch. Lúc này các bạn sửa chữa khắc phục lỗi mạch điện áp nguồn.
Tiếp tục kiểm tra, bạn bật công tắc điện On để kiểm tra xem dây điều khiển (dây số 2) với mass xem có điện áp 3-4V hay không.
Nếu ít hơn trong khoảng đó, các bạn cần kiểm tra xem mạch điều khiển có bị hở hoặc ngắn với mass hay không. Nếu bình thường, các bạn hãy thay module điều khiển động cơ K20.
Nếu lớn hơn trong khoảng đó, các bạn thực hiện kiểm tra mạch điều khiển có bị ngắn mạch tới dương hay không, trường hợp mạch vẫn bình thường, bạn cũng cần thay module điều khiển động cơ K20.
Tiếp theo để kiểm tra, bạn Off công tắc và kiểm tra giữa đầu mạch điều khiển chân số 2 với K20 điều khiển mô đun động cơ trong khoảng 5 Ω. Nếu cao hơn, các bạn cần sửa mạch điều khiển mô đun động cơ. Nếu bình thường, các bạn kiểm tra hoặc thay G12 bơm nhiên liệu.
2. Kiểm tra các thành phần của hệ thống
Thực hiện Off công tắc, cho ngắt kết nối dây người ở bơm G12, và kiểm tra xem chân số 1 và số 2 của van SCV tại bơm nhiên liệu có 2-4 Ω hay không. Nếu không nằm trong khoảng trên, các bạn thay bơm G12.
Vẫn Off công tắc, kiểm tra xem giữa hai chân của van SCV và mass vỏ bơm nhiên liệu có điện trở vô cùng hay không. Nếu không bạn thay bơm G12.
Để hoàn tất công việc sửa chữa mạch van điều khiển áp suất nhiên liệu, các bạn, lắp lại các chi tiết đã tháo, sử dụng máy chẩn đoán để cài đặt lại các chi tiết đã thay thế cần thiết và sau đó xóa lỗi. Chúc các bạn thực hiện thành công.
Xem thêm: Hướng dẫn sửa lỗi mạch cảm biến oxy A/F – Mã lỗi P0134
Trung Tâm Huấn Luyện Kỹ Thuật Ô Tô Việt Nam VATC
Địa chỉ: số 50 đường 12, P.Tam Bình, Q.Thủ Đức, TP.HCM
Điện thoại: 0945711717

