Chia sẻ tài liệu sơ đồ mạch điện điều khiển trên Ford Transit 2013
Nếu các bạn đã từng làm nhiều gara thì chắc chắn bạn sẽ đụng những dòng xe của Ford và đặc biệt là Ford Transit. Là dòng xe có số lượng bán ra rất lớn trong nhiều năm trở lại đây, việc sửa chữa Ford Transit càng trở nên phổ biến và sẽ là lượng xe lớn để các bạn đáng tìm hiểu.

Đối với các kỹ thuật viên đang sửa chữa điện trên dòng xe Ford Transit thì đây chắc chắn là bộ tài liệu cực hay mà bạn đang tìm kiếm. Bộ tài liệu mạch điện điều khiển xe Ford Transit này hiển thị mọi hệ thống điều khiển. Nó không chỉ giúp bạn sửa chữa tốt mà nó cũng hỗ trợ các bạn tìm hiểu sâu hơn và toàn diện hơn về nó.

Đối với các bạn mới tìm hiểu về hệ thống điện ô tô thì bộ tài liệu sơ đồ mạch điện này cũng sẽ hỗ trợ các bạn rất tốt về các kiến thức nền tảng hỗ trợ sau này. Để các bạn có thể dễ hiểu hơn trong việc đọc sơ đồ mạch điện, các bạn hãy tham khảo video bài giảng của giảng viên Đặng Văn Luyện – Giám đốc trung tâm huấn luyện kỹ thuật ô tô Việt Nam ngay dưới đây nhé!.
>>> Hướng dẫn đọc sơ đồ mạch điện ô tô
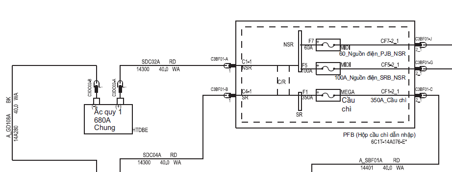
Hình ảnh thực tế của tài liệu mạch điện điều khiển Ford Transit







>> Đọc thêm: Các tín hiệu điều khiển của ECM
Đây là chuỗi bài viết chia sẻ tài liệu điện ô tô đời mới mà VATC gửi đến các bạn và nó hoàn toàn tải miễn phí. Để ủng hộ chuỗi bài viết này, các bạn nhớ Like và chia sẻ để có thật nhiều người biết đến và cùng học tập nhé các bạn.
- Download ngay: tài liệu sơ đồ mạch điện điều khiển Ford Transit 2013
- Password giải nén: Oto.edu.vn
Chúc các bạn có thật nhiều kiến thức bổ ích với tài liệu sơ đồ mạch điện điều khiển trên xe Ford Transit 2013 này và đặc biệt hơn là có thể áp dụng tốt những kiến thức này vào trong học tập cũng như sửa chữa Ford transit thực tế.
Mọi ý kiến và đóng góp xin vui lòng liên hệ!
Trung Tâm Huấn Luyện Kỹ Thuật Ô Tô VATC
Địa chỉ: số 50 đường 12, P.Tam Bình, Q.Thủ Đức, TP.HCM
Hotline: 0945711717
Email: info@oto.edu.vn

