Tìm hiểu các loại van chính trong bơm cao áp – Common Rail Diesel

Trong hệ thống nhiên liệu Diesel, bơm cao áp chiếm một vai trò vô cùng quan trọng. Nó được xem như nguồn cung cấp năng lượng cho “trái tim” của động cơ, liên tục hoạt động để cung cấp “máu” tới động cơ.

Tuy nhiên, để “trái tim” có thể hoạt động thì phải nhờ vào các van. Nói cách khác, để bơm cao áp có thể hoạt động thì các van phải liên tục vận chuyển tuần hoàn nhiên liệu. Bài viết dưới đây, các bạn hãy cùng trường dạy nghề ô tô VATC tìm hiểu cách nhận biết các loại van bên trong bơm cao áp HP3 của hệ thông nhiên liệu Diesel.

  1. Cấu tạo chung

Có 5 van chính trong bơm cao áp HP3 gồm: Van phân phối (Delivery Valve), Van điều tiết (Regulator Valve), Van hút (Suction Valve/Intake Valve), Van xả (Discharge Valve) và Van điều áp suất SCV (Suction Control Valve).

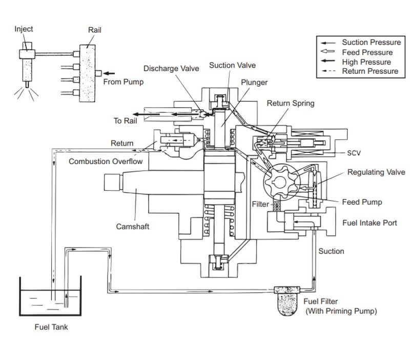
Cấu tạo bơm cao áp
Các chi tiết trong bơm cao áp

Mối quan hệ mật thiết của các van

Bơm cấp nhiên liệu sẽ bơm nhiên liệu từ thùng chứa, qua van điều áp, nhiên liệu tới van SCV. Lúc này nhiên liệu sẽ được điều chỉnh tăng giảm do sự điều chỉnh của van áp suất SCV và đi tới Van hút.

Tại đây, nhiên liệu sẽ được mang tới khoang cao áp để nén nhiên liệu ở áp suất cao. Thông qua van xả, nhiên liệu đã được nén sẽ di chuyển vào đường ống phân phối rồi đi tới các kim phun đã đợi sẵn.

Mối quan hệ giữa các van
  1. Van điều áp áp suất

Van điều áp áp suất (Pressure Regulator Valve) có nhiệm vụ giữ cho áp suất nạp nhiên liệu luôn ở mức độ nhất định, không được phép tăng quá cao khi động cơ đang hoạt động ở tốc độ cao. Nếu tốc độ của bơm tăng quá cao, điều này sẽ khiến cho áp suất từ bơm cấp nhiên liệu cũng tăng theo và vượt quá mức cho phép.

Vậy nên, áp suất nhiên liệu phải thắng lực lò xo trong van điều áp, van sẽ mở ra. Nhiên liệu sẽ được đưa trở về phía cửa hút của bơm cấp nhiên liệu.

Van điều áp
  1. Van phân phối

Khi áp suất nhiên liệu trên ông phân phối nhỏ hơn áp suất tại Piston, lực do áp suất nén sẽ thắng lực lò xo, lúc này bi sẽ mở ra để xả nhiên liệu về lại trước bơm tiếp vận.

Vị trí của van phân phối
Cấu tạo của van phân phối

https://www.high-endrolex.com/23

  1. Van hút và van xả

Van hút (Suction Valve/Intake Valve) và Van xả (Discharge Valve) kết hợp với nhau để vận chuyển dòng nhiên liệu đến ống phân phối.

  • Van hút sẽ hút nhiên liệu tới khoang cao áp và ngăn dòng nhiên liệu quay trở về bơm cung cấp.
  • Khi nhiên nhiệu đã được nén từ khoang cao áp với áp suất cao, van xả sẽ vận chuyển chúng tới ống phân phối.

Nguyên lý hoạt động của bơm cao áp

Bơm cấp nhiên liệu sẽ vận chuyển nhiên liệu đi tới van SCV để tới piston A và B. Hai piston này sẽ lần lượt hút nhiên liệu từ bơm cấp nhiên liệu tới khoang cao áp và ống phân phối. Trong khoang cao áp, sự quay vòng của cam lệch tâm sẽ khiến 2 piston này lần lượt đi xuống và đi lên theo vòng tuần hoàn.

Quá trình hút nén nhiên liệu

Khi piston A và B đi xuống, piston A sẽ hút nhiên liệu từ bơm nhiên liệu vào khoang cao áp. Trong khí đó, piston B sẽ đi xuống để nén nhiên liệu đi ra từ khoang cao áp và mang nó tới ống phân phối.

Khi piston A và B đi lên, quá trình hút nén nhiên liệu sẽ được đảo ngược lại, lúc này piston A nén và piston B hút nhiên liệu.

* Lưu ý: Quá trình này được diễn ra bởi có các van 1 chiều. Khi van 1 chiều này nén lò xo lại thì van kia sẽ đẩy. Thể tích nhiên liệu bị nén sẽ tăng lên nếu như van hút động chậm. Áp suất nhiên liệu khi đó sẽ giảm do lưu lượng nhiên liệu đã tăng lên.

Hình ảnh nguyên lý hoạt động của bơm cao áp
  1. Van điều chỉnh áp suất SCV

Van SCV (Suction Control Valve) đảm nhiệm nhiệm vụ điều chỉnh áp suất nhiên liệu bằng cách mở hoặc đóng của hút nhiên liệu. Từ bơm cấp, nhiên liệu sẽ được chuyển tới van một chiều và van SCV tới khoang cao áp. Ở đây, nhờ hoạt động của các piston mà nhiên liệu sẽ được nén lại, sau đó nhờ van phân phối đưa tới ống phân phối.

Cấu tạo của van điều khiển áp suất SCV
Hình ảnh thực tế van điều khiển áp suất SCV

Nguyên lý hoạt động của van SCV

Dưới sự điều khiển theo chu kỳ làm việc của ECU mà van SCV sẽ hoạt động. Dòng xung điện dạng sóng sẽ được phát ra với một 1 tần số duy nhất. Giá trị của dòng điện là giá trị hiệu dụng của dòng xung điện này. Khi giá trị này giảm, độ mở van sẽ giảm. Và ngược lại, khi giá trị này tăng, đồng nghĩa với việc độ mở van sẽ tăng.

Xung tín hiệu

Để điều chỉnh tạo ra áp suất nhiên liệu, thì lượng nhiên liệu đi vào bơm cao áp sẽ được điều chỉnh bằng cách thay đổi thời gian đóng và mở của van SCV.

Van SCV mở nhỏ (thời gian cấp điện cho vay ngắn)

  • Lượng nhiên liệu hút sẽ giảm xuống do đường hút nhiên liệu luôn ở mức hẹp
  • Khi mà áp suất nhiên liệu trở nên cao hơn so với áp suất trong ống phân phối, lúc này quá trình bơm nhiên liệu sẽ được bắt đầu.
Van SCV mở nhỏ
Độ mở nhỏ

Van SCV mở lớn (thời gian cấp điện cho vay lâu)

  • Lượng nhiên liệu hút sẽ tăng lên do đường hút nhiên liệu luôn giữ ở mức rộng.
  • Khi piston đi hết hành trình, do đường hút rộng nên lượng nhiên liệu hút vào sẽ nhiều hơn.
  • Khi mà áp suất nhiên liệu trở nên cao hơn so với áp suất trong ống phân phối thì quá trình bơm nhiên liệu sẽ được bắt đầu.
Van SCV mở lớn
Độ mở lớn

>> Xem thêm: Tìm hiểu hệ thống Common Rail Diesel

Chúc các bạn có những kiến thức bổ ích khi sửa chữa xe nhiên liệu dầu. Đừng quên đọc tiếp những bài viết tương tự khác mà VATC đã tổng hợp ở những số trước.

Trung Tâm Huấn Luyện Kỹ Thuật Ô Tô Việt Nam VATC

Địa chỉ: số 50 đường 12, P.Tam Bình, Q.Thủ Đức, TP.HCM
Điện thoại: 0945711717
Email: info@oto.edu.vn

Nguồn: Denso

admin_donaweb