Hệ thống khóa cửa 2 lớp (Double Locking System) là một tính năng an toàn được trang bị trên nhiều dòng xe hiện đại, bao gồm cả Mazda. Hệ thống này giúp tăng cường bảo vệ xe khỏi việc bị mở khóa trái phép từ bên ngoài hoặc bên trong. Bài viết ngày hôm nay của trung tâm VATC sẽ giúp bạn hiểu rõ hơn về hệ thống khoá cửa 2 lớp này. Cùng xem nhé!
1. Giới thiệu
- Hệ thống khóa cửa 2 lớp trên xe ô tô được yêu cầu ở nước Anh. Hệ thống này được phát triển để tránh kẻ xấu xâm nhập vào xe trong khoảng 2 phút. Hệ thống khóa 2 lớp có cơ cấu khóa cửa chuyên dụng. Nếu các cửa được khóa bằng nút nhấn Lock cửa của bộ điều khiển từ xa thì cửa sẽ không được mở ngay dù dùng công tắc khóa cửa bên trong xe và cả chốt gạt cơ khí bên trong xe.
- Vì vậy, cơ cấu này sẽ giúp cho dù kẻ xấu có đập vỡ kính và thao tác bằng các công tắc khóa cửa bên trong xe cũng không thể mở được xe gây khó khăn trong việc đột nhập.
- Cơ cấu khóa cửa 2 lớp thường được sử dụng trên các dòng xe bán tải.
2. Cách cài đặt chế độ này
- Để cài đặt xe vào chế độ này ta thực hiện: nhấn nút Lock trên điều khiển từ xa 1 lần sau đó tiếp tục nhấn lần 2 trong vòng 5s thì sẽ kích hoạt chế độ khóa 2 lớp.
- Chế độ khóa 2 lớp chỉ hoạt động khi nhận đủ 2 tín hiệu lock từ điều khiển từ xa trong vòng 5s. Nếu nhấn lần 1 và nhấn lần 2 quá 5s thì sẽ không bật được chế độ này. Nếu là đã lỡ thực hiện sai chế độ khóa 2 lớp cần phải nhấn UL sau đó thực hiện lại.
Có thể bạn quan tâm: Khoá học điện ô tô chuyên nghiệp, chất lượng nhất hiện nay
3. Cách ngắt khóa 2 lớp
- Chỉ cần nhấn UL trên điều khiển từ xa là sẽ ngắt chế độ khóa 2 lớp. Trong trường hợp, bộ điều khiển từ xa hết pin hoặc bị hư, chỉ có cách dùng chìa cơ và mở khóa ở bên cửa tài xế.
- Khi cắm chìa khóa và ổ khóa điện, nếu các cửa phụ đang ở trạng thái khóa 2 lớp thì sẽ bị vô hiệu hóa và quay về khóa thông thường.
- Khi có chìa khóa trong ổ và cửa tài mở ra thì khóa 2 lớp sẽ không được kích hoạt.
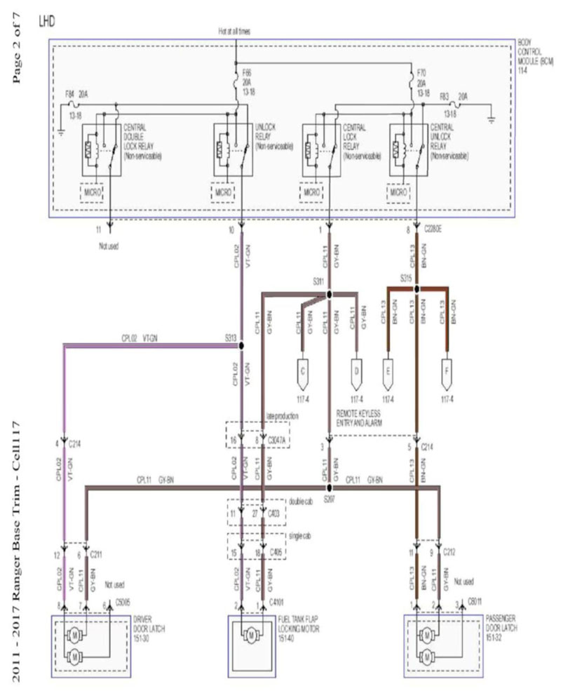
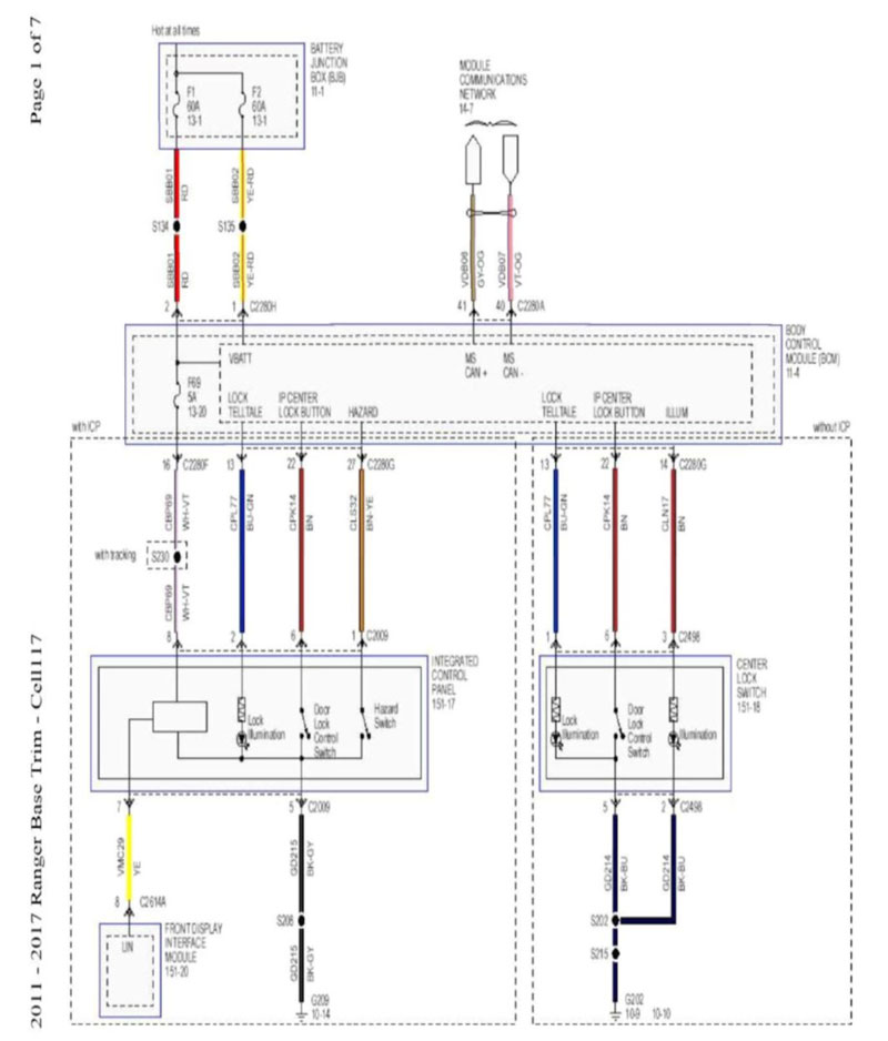
4. Sơ đồ mạch điện hệ thống
- Xe Mazda BT50 2015.

- Ford Ranger 2011-2017.

Trên đây là thông tin về hệ thống khoá cửa 2 lớp mà trung tâm VATC gửi đến bạn, hy vọng bạn đã có cho mình kiến thức hay trong ngày.
Nếu bạn có đang đam mê hoặc muốn tìm hiểu về các khóa học trong ngành ô tô thì liên hệ ngay với trung tâm VATC theo thông tin dưới đây để được tư vấn chi tiết nhất nhé!
Trung Tâm Huấn Luyện Kỹ Thuật Ô Tô Việt Nam – VATC
- Địa chỉ: Số 4-6, Đường số 4, Phường Hiệp Bình Phước, Thành Phố Thủ Đức, Thành phố Hồ Chí Minh
- Điện thoại: 0945711717
- Email: info@oto.edu.vn
Xem thêm:

