1. Khái niệm
HY2213 – BB34 là một IC cân bằng sạc, thuộc dòng sản phẩm HY2213 được tạo ra dùng cho pin Li-ion, có thể được sử dụng cho các gói pin hoặc cũng có thể được dùng cho các pin đơn riêng lẻ. IC với các tính năng nổi bật có thể kể đến như: điều khiển cân bằng sạc, giám sát phát hiện dòng sạc, giám sát điện áp cực cao.

Hình ảnh thực tế của HY2213 – BB3A

Sơ đồ các chân HY2213

Các chân của HY2213

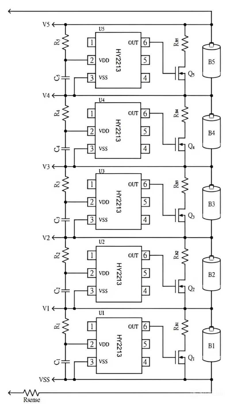
Sơ đồ nối dây điển hình của HY2213
2. Nguyên lý hoạt động
Trạng thái bình thường
IC sẽ theo dõi điện áp nối giữa VDD và VSS để điều khiển hoạt động cân bằng sạc. Khi phát hiện điện áp pin vượt quá mức điện áp cho phép, đầu ra chân OUT tăng khả năng để điều khiển N-MOSFET. Khi điện áp pin dưới mức điện áp giải phóng định mức , đầu ra chân OUT hạn chế khả năng ngát N-MOSFET
Trạng thái sạc quá dòng
Khi sạc pin dưới điều kiện hoạt động bình thường, hoặc trường hợp điện áp pin vượt quá mức sạc điện áp định mức. HY2213 kích hoạt ngắt MOSFET thông qua chân OUT, bắt đầu tính năng sạc cân bằng
Trạng thái sạc cân bằng
Khi xả pin dưới mức hoạt động bình thược, điện áp cell pin xuống thấp hơn điện áp cân bằng (Vsb), nó sẽ cắt giảm dòng tiêu thụ IC giống như ở chế độ cân bằng và đó được gọi là trạng thái cân bằng

Thông số bảo vệ mạch của HY2213-BB3A
Trung Tâm Huấn Luyện Kỹ Thuật Ô Tô Việt Nam – VATC
- Địa chỉ: Số 4-6, Đường số 4, Phường Hiệp Bình Phước, Thành Phố Thủ Đức, Thành phố Hồ Chí Minh
- Điện thoại: 0945711717
- Email: info@oto.edu.vn
Có thể bạn quan tâm:

