Hôm nay, cùng trung tâm VATC tìm hiểu về chủ đề: kim báo mức nhiên liệu không hoạt động trên xe KIA CARENS 2008 và cách xử lý chúng nhé!
1. Hiện tượng
Hiện tượng: Trên xe Kia Carens UN 2008, kim báo mức nhiên liệu không hoạt động, các đèn báo còn lại hoạt động bình thường.
Hệ thống trên gồm các bộ phận:
- Phần chỉ thị: Đồng hồ taplo (Instrument Cluster)
- Các cảm biến: Cụm phao xăng và bơm xăng (Fuel sender and fuel pump motor)
- Dây dẫn điện và giắc nối,…
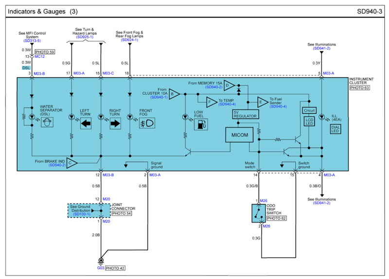
2. Sơ đồ mạch điện – Nguyên lý hoạt động
Sơ đồ mạch điện:

Nguyên lý hoạt động:
Để taplo hoạt động bình thường, sáng lên khi on chìa khóa, việc đầu tiên chúng ta cần làm là cấp nguồn dương (+), mass (-) đầy đủ vào đồng hồ taplo.
- Nguồn dương: dây màu xanh dương sọc cam (chân số 1, giắc M03-A), dây màu xanh dương sọc cam (chân số 20, giắc M03-C), dây màu đỏ sọc cam (chân số 3, giắc M03-A).
- Nguồn mass: dây màu đen (chân số 2, giắc M03-A), dây màu đen (chân số 12, giắc M03-B).
Hệ thống dử dụng một cảm biến (phao nhiên liệu) bên trong cụm bơm để đo mức nhiên liệu còn bên trong thùng để có thể cung cấp bổ sung nhiên liệu kịp thời.
Cảm biến này là một biến trở trượt ngắn với một phao dịch chuyển lên xuống cùng với mức nhiên liệu, cảm biến được đặt bên trong thùng nhiên liệu. Khi mức nhiên liệu thay đổi sẽ làm vị trí của phao dịch chuyển, khi đó vị trí của con trượt sẽ làm thay đổi giá trị điện trở của cảm biến (điện trở của cảm biến thường nằm trong khoảng 10 – 200 Ω).
Tín hiệu điện trở từ cảm biến này sẽ được gửi đến phần chỉ thị bên trong đồng hồ taplo, tại đây khi điện trở cảm biến thay đổi làm cho dòng điện qua các cuộn dây của phần chỉ thị thay đổi sẽ làm kim đồng hồ báo mức nhiên liệu thay đổi theo.
- Khi nhiên liệu ở mức đầy: Giá trị điện trở cảm biến giảm.
- Khi nhiên liệu ở mức ít: Giá trị điện trở cảm biến tăng lên.
Tham khảo thêm: Khoá học Kỹ thuật sửa chữa ô tô toàn diện từ A-Z
3. Khoanh vùng hư hỏng
Những nguyên nhân có thể dẫn đến hiện tượng trên:
- Dây dẫn điện và giắc nối,…
- Cụm phao xăng và bơm xăng.
- Đồng hồ taplo.
4. Kiểm tra chi tiết
- Dây dẫn và giắc nối:
Thông số kiểm tra:
| Kiểm tra | Thông số |
| F12 – 2 và M03-C – 9 | Dưới 1Ω |
| F12 – 3 và M03-C – 8 | Dưới 1Ω |
- Cụm phao xăng và bơm xăng:
Cách kiểm tra:
- Dùng đồng hồ VOM, bật thang đo điện trở (Ohm), đo giữa chân số 2 và chân số 3 của cảm biến.

- Dựa vào bảng thông số bên dưới, kiểm tra giá trị điện trở khi thay đổi mức nhiên liệu từ E (Emty – hết nhiên liệu) sang F (Fully – đầy nhiên liệu). Nếu giá trị đo được không nằm trong bảng bên dưới, lúc này cần thay thế cảm biến.
Bảng thông số kỹ thuật của cảm biến:

- Đồng hồ taplo:
Sau khi kiểm tra đầy đủ tín hiệu từ cảm biến đã đầy đủ và tốt, lúc này mà kim báo trên đồng hồ vẫn không hoạt động thì lúc này có thể kết luận đồng hồ có vấn đề. Và để khẳng định chính xác nhất, đối với một số dòng xe, ta có thể dùng máy chẩn đoán, thực hiện chức năng kích hoạt kim báo nhiên liệu, nếu kim vẫn không lên chứng tỏ hư đồng hồ taplo.
Trên đây là toàn bộ thông tin về kim báo mức nhiên liệu không hoạt động trên xe KIA CARENS 2008 mà VATC cung cấp đến bạn. Hy vọng bạn đã có thêm cho mình một thông tin hay trong ngày. Đừng quên theo dõi website của chúng tôi để luôn cập nhật những kiến thức về thị trường ô tô mới nhất nhé!
Trung Tâm Huấn Luyện Kỹ Thuật Ô Tô Việt Nam – VATC
- Địa chỉ: Số 4-6, Đường số 4, Phường Hiệp Bình Phước, Thành Phố Thủ Đức, Thành phố Hồ Chí Minh
- Điện thoại: 0945711717
- Email: info@oto.edu.vn
Xem thêm:

