Sửa chữa mạch điện điều khiển điều hòa tự động ô tô luôn là xu hướng của nhiều kỹ thuật viên học sửa điện ô tô ngày nay. Với điều kiện phát triển, thì điều hòa là một tiện nghi không thể tách rời trên những chiếc xe hơi cao cấp. Và càng đối với dòng xe sang trọng thì lại càng khó sửa chữa hơn nữa. Việc tìm hiểu hệ thống điện điều khiển điều hòa tự động trên ô tô là một phương pháp hữu hiệu cho những ai đang có ý định muốn theo đuổi nghề sửa chữa điều hòa ô tô, kể cả những kỹ thuật viên đang sửa chữa điều hòa ô tô ngày nay. Cùng tìm hiểu chi tiết với VATC ngay dưới đây nhé!
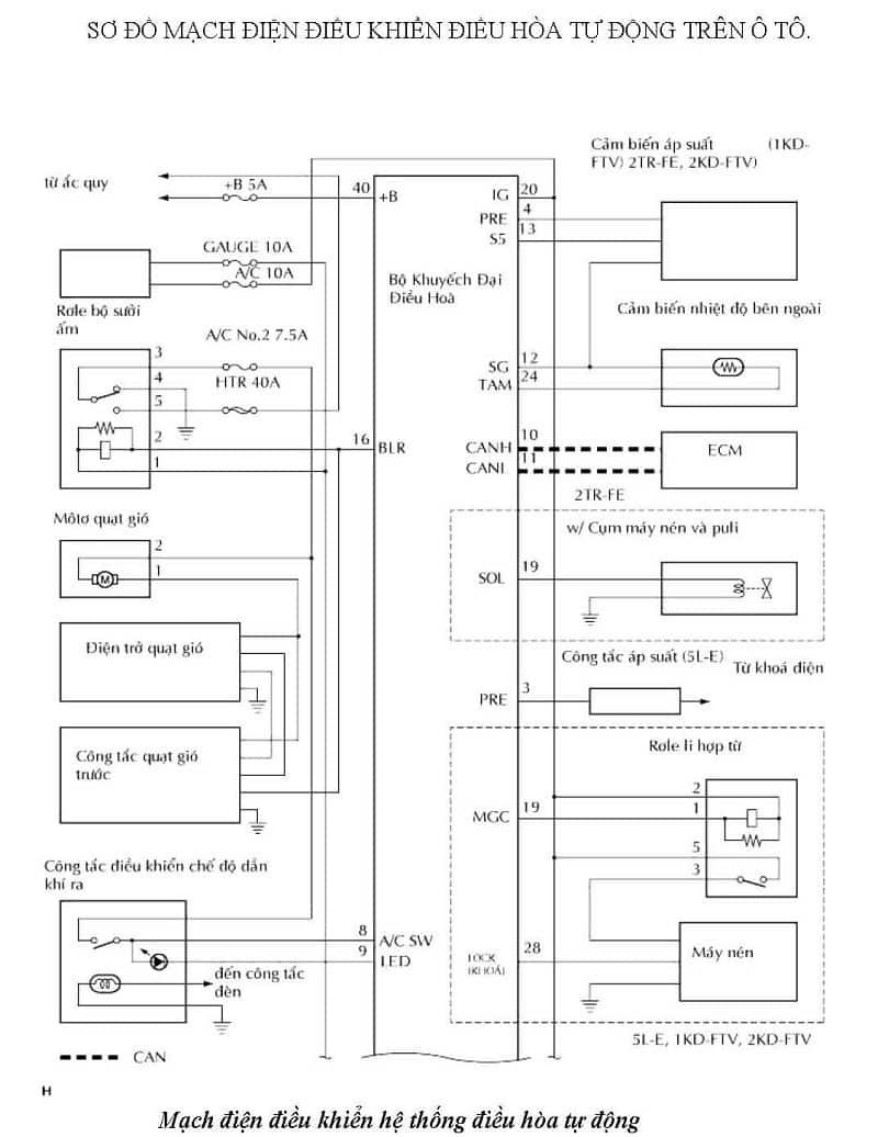
1. Sơ đồ mạch điện điều khiển điều hòa tự động ô tô
2. Sơ đồ mạch điện điều hòa ô tô









mạch
VATC – Trường dạy nghề sửa chữa điện ô tô Việt Nam chúc các bạn có những kiến thức bổ ích với những bài viết này. Các bạn cũng đừng quên chia sẻ để nhiều người biết đến chúng ngay từ hôm nay. Nếu còn thắc mắc hay cần tư vấn thì liên hệ ngay theo thông tin dưới đây để được tư vấn chi tiết nhất nhé!
Trung Tâm Huấn Luyện Kỹ Thuật Ô Tô Việt Nam – VATC
- Địa chỉ: Số 4-6, Đường số 4, khu phố 6, Phường Hiệp Bình Phước, Thành Phố Thủ Đức, Tp.HCM
- Điện thoại: 0945711717
- Email: info@oto.edu.vn

