Trong hệ thống làm mát động cơ trên ô tô, quạt động cơ ô tô được gắn phía sau két nước. Khi động cơ còn đang nguội và bạn khởi động động cơ, bạn để ý thì sẽ phát hiện rằng quạt làm mát sẽ không quay. Khi động cơ bắt đầu nóng lên, quạt sẽ bắt đầu quay nhưng với tốc độ chậm và êm.
Sau một khoảng thời gian khi nhiệt độ động cơ đã ổn định hoặc khi bạn mở điều hòa không khí, quạt làm mát bắt đồng chạy ở tốc độ 2, tốc độ quạt tăng lên và tiếng ồn từ quạt cũng lớn hơn. Lúc này nhiều người sẽ tự hỏi rằng, tại sao quạt làm mát lại hoạt động phức tạp như vậy? Nó có cấu tạo như thế nào? Quạt làm mát giữa xe chạy xăng và chạy dầu có gì khác nhau hay không…? Cùng VATC tìm hiểu ngay sau đây nhé!
1. Nguyên lý hoạt động của quạt động cơ ô tô

Quạt làm mát chạy bằng điện động cơ.
Để làm mát két nước, cần phải có một lượng lớn không khí để đi qua các lá tản nhiệt trong két nước. Thông thường, khi xe di chuyển ở tốc độ cao thì lưu lượng khi đi qua két nước ở mức vừa đủ, nhưng khi xe dừng hẳn hoặc chạy chậm thì lưu lượng không khí sẽ không đủ. Vậy nên, động cơ cần được trang bị quạt làm mát để tạo ra lượng không khí cưỡng bức qua két nước.
Tham khảo ngay: Kỹ thuật bắt bệnh và sửa chữa hệ thống điều hòa không khí trên ô tô
Ngày nay, các dòng xe hơi đời mới thường đều được trang bị kiểu quạt làm mát gồm: quạt làm mát chạy bằng động cơ điện, kiểu khớp chất lỏng (khớp nối mềm) điều khiển bằng nhiệt độ và hệ thống quạt làm mát thủy lực bằng điện tử.
Hệ thống quạt chạy bằng động cơ điện rất nhạy cảm với nhiệt độ của nước làm mát, và nó chỉ cung cấp một lưu lượng không khí phù hợp khi nhiệt độ lên cao. Ở mức nhiệt độ trung bình hoặc khi động cơ mới khởi động, quạt gió sẽ không quay để động cơ ấm lên nhanh hơn, giảm mức tiêu hao nhiên liệu và giảm tiếng ồn.
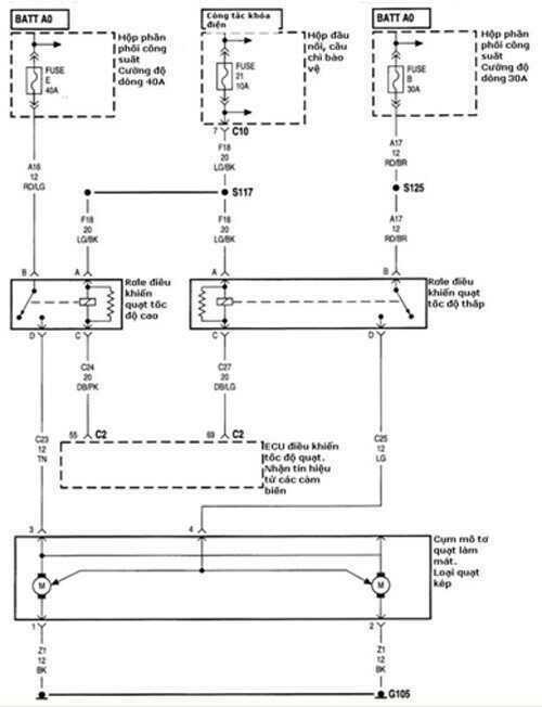
Quạt điện có thể thay đổi tốc độ quay trong ba cấp độ hoặc vô cấp. Nhờ vậy, hiệu quả làm mát sẽ được điều chỉnh một cách phù hợp với nhiệt độ của nước làm mát để động cơ hoạt động một cách hiệu quả. Bạn có thể quan sát sơ đồ mạch điện ngay dưới đây để xem cách thức hoạt động của nước làm mát chạy bằng động cơ điện ở một cấp tốc độ.

Sơ đồ mạch điện điều khiển quạt một cấp tốc độ.
Khi nhiệt độ của nước làm mát đang còn thấp, công tắc nhiệt độ nước làm mát sẽ đóng, rơ le được nối mát và nó sẽ hút hai tiếp điểm 30 và 87 tách nhau ra (hai tiếp điểm này thường đóng) để ngắt dòng điện tới mô tơ quạt.
Khi nhiệt độ nước làm mát bắt đầu tăng lên, công tắc nhiệt độ nước làm mát sẽ mở, mạch rơ le bị ngắt, 2 tiếp điểm 30 và 87 tiếp xúc với nhau. Lúc này, một dòng điện từ ắc quy sẽ đi tới quạt làm quạt quay với tốc độ cao. Tùy từng loại xe mà các điểm đóng/mở của công tắc nhiệt độ nước làm mát và rơ le quạt lại hoạt động theo chiều ngược lại.

Ở hệ thống điều khiển quạt làm mát nhiều cấp tốc độ, khi nhiệt độ động cơ chưa đủ, ECU điều khiển sẽ tiếp nhận tín hiệu từ các cảm biến nhiệt độ nước làm mát, cảm biến điều hòa nhiệt độ và cảm biến tốc độ động cơ sẽ ngắt dòng điện đi qua các rơ le.
Dòng điện từ các hộp phân phối công suất không tới mô tơ quạt, quạt không quay. Khi nhiệt độ động cơ bắt đầu ấm lên khi xe chạy ở chế độ không tải, ECU sẽ nhận tín hiệu từ các cảm biến điều khiển đóng rơ le tốc độ thấp lại, các quạt quay ở tốc độ thấp. Còn khi xe chạy có tải hoặc động cơ nóng lên quá mức, ECU điều khiển sẽ ngắt rơ le tốc độ thấp và đóng rơ le tốc độ cao, quạt quay ở tốc độ hai, tốc độ tăng lên và tiếng ồn cũng lớn hơn.
Xem thêm: Hệ thống điều hòa ô tô: Nguyên lý và những điều cơ bản nhất cần nhớ kỹ
2. Quạt làm mát giữa xe chạy xăng và chạy dầu có gì khác nhau?
Các hệ thống điều khiển và loại quạt chạy bằng mô tơ điện thường được áp dụng trên những mẫu xe chạy xăng, bởi những ưu điểm của nó mang lại như cấu tạo đơn giản, ít tiếng ồn và tiết kiệm nhiên liệu.
Các động cơ chạy bằng dầu diesel thường không sử dụng loại quạt chạy bằng điện, mà thay vào đó các nhà sản xuất xe sử dụng quạt có khớp chất lỏng. Đối với loại quạt này, thì tốc độ quạt được điều chỉnh bởi cảm biến nhiệt độ của luồng không khí đi qua két nước.

Quạt có khớp chất lỏng.
Khớp chất lỏng này gồm có một bộ ly hợp thủy lực chứa dầu silicon. Sự truyền chuyển động quay cho quạt thông qua đai hình chữ “V” được điều khiển bằng cách điều chỉnh lượng dầu trong buồng làm việc.
Khi nhiệt độ chưa cao, quạt sẽ quay ở tốc độ chậm để giúp động cơ làm nóng nhanh hơn và giảm tiếng ồn lại. Khi nhiệt độ động cơ đã cao, tốc độ quạt sẽ tăng lên để cung cấp đủ lượng không khí cho két nước, gia tăng hiệu quả làm mát.

Cấu tạo khớp chất lỏng.
- Nhiệt độ không khí nóng trong khi xe chạy chậm: mức dầu silicon trong buồng làm việc tăng làm giảm hệ số trượt của khớp nối, chuyển động quay của trục khớp chất lỏng được truyền hết sang quạt.
- Nhiệt độ không khí nóng khi xe chạy nhanh: sức ì của quạt tăng lên và sự trượt trong khớp chất lỏng làm quạt quay với tốc độ thấp hơn tốc độ quay của trục khớp chất lỏng.
- Nhiệt độ không khí ấm trong khi xe chạy nhanh: tấm lưỡng kim sẽ ngắt đường dầu để giảm lưu lượng dầu trong buồng làm việc. Điều này sẽ gia tăng hệ số trượt của khớp nối dẫn tới giảm tốc độ quay của quạt.
- Nhiệt độ không khí lạnh trong khi xe đang chạy nhanh: đường dầu bị ngắt và mức dầu tiếp tục giảm. Lúc này, hệ số trượt là cao nhất và tốc độ quạt là thấp nhất.

Hệ thống quạt làm mát chạy bằng thủy lực.
Ở hệ thống quạt làm mát thủy lực điều khiển bằng điện tử sử dụng động cơ thủy lực để chạy quạt. Trong đó, máy tính sẽ điều chỉnh lượng dầu đi vào mô tơ thủy lực. Và cũng bằng cách này mà tốc độ quạt được điều chỉnh vô cấp, luôn đảm bảo lượng không khí thích hợp nhất. So với quạt điện thì quạt này có động cơ nhỏ, nhẹ hơn và có khả năng cung cấp lượng không khí nhiều hơn. Tuy nhiên, bơm dầu và hệ thống điều khiển lại phức tạp hơn.
Trên đây là những kiến thức về quạt động cơ ô tô mà bạn cần biết trong quá trình sửa chữa ô tô. VATC chúc các bạn có những kiến thức thú vị.
Trung Tâm Huấn Luyện Kỹ Thuật Ô Tô Việt Nam – VATC
- Địa chỉ: Số 4-6, Đường số 4, khu phố 6, Phường Hiệp Bình Phước, Thành Phố Thủ Đức, TP.HCM
- Điện thoại: 0945711717
- Email: info@oto.edu.vn





