Đến với kiến thức ô tô hôm nay, cùng trung tâm VATC tìm hiểu về chủ đề: Toyota Innova 2013 bị mất sấy gương kính phía sau. Đọc đến hết bài viết để không bỏ lỡ bất kỳ thông tin hữu ích nào nhé!
1. Hiện tượng
- Hệ thống sấy kính chắn gió phía sau không hoạt động khi nhấn công tắc.
2. Khoanh vùng hư hỏng
- Cầu chì, rơ le DEF (Sấy kính) hư hỏng.
- Công tắc sấy kính phía sau có vấn đề (đối với hệ thống điều hòa cơ khí).
- Cụm điều khiển hệ thống điều hòa có vấn đề (đối với hệ thống điều hào tự động).
- Mạch sấy kính bên trong kính chắn gió có vấn đề.
- Các giắc nối trung gian hoặc dây điện có vấn đề.
3. Quy trình sửa chữa
3.1. Kiểm tra cầu chì và rơ le
– Kiểm tra cầu chì 20A DEF trên hộp R/B No.3.
- Dùng đèn thử sợi đốt 12V hoặc VOM để kiểm tra 2 đầu cầu chì xem có sáng đền hay không.
– Kiểm tra rơ le DEF trên hộp R/B No.3.
- Tháo rơ le sấy kính hậu ra khỏi hộp cầu chì bên phụ ra kiểm tra.
- Đo điện trở của rơ le.

=> Nếu kết quả đo được không như tiêu chuẩn thì ta thay rơ le mới.
3.2. Kiểm tra cụm điều khiển hệ thống điều hòa (đối với hệ thống điều hòa tự động)
a) Tháo cụm màn hình điều khiển điều hòa ra để kiểm tra.
- Sau khi tháo các chốt nhựa của cụm điều khiển ra thì ta ngắt giắc kết nối như hình 1.

- Tháo 4 cái chốt nhựa và tháo bộ điều khiển bộ sưởi ra như hình 2.

- Ngắt kết nối giắc số 1 khỏi cụm khuếch đại điều hòa không khí như hình 3.

1 – Cụm khuếch đại điều hòa không khí.
2 – Giắc làm mát số 1.
- Tháo cụm khuếch đại điều hòa ra.
3.3. Kiểm tra dây dẫn điện của giắc số 1
- Đo các giá trị điện trở theo bảng bên dưới.
Điện trở tiêu chuẩn

=> Nếu kết quả đo được không như tiêu chuẩn thì ta thay giắc làm mát số 1.
3.4. Kiểm tra cụm công tắc sấy kính chắn gió phía sau (Đối với hệ thống điều hòa cơ)
- Kiểm tra vùng chiếu sáng của công tắc.
Giá trị đo tiêu chuẩn
| Điều kiện đo | Điều kiện đúng đo được |
| Cực dương của ắc quy (+) – 1 (ILL+) Cực âm của ắc quy (-) – 2 (ILL-) | Đèn sáng |
Cấp nguồn như hình 5 để kiểm tra:


=> Nếu kết quả đo được không như tiêu chuẩn thì ta thay cụm công tắc.
Lưu ý: Đèn BẬT/TẮT của công tắc sẽ không sáng.
- Kiểm tra đèn báo BẬT/TẮT của công tắc.
+ Nhấn công tắc nhiều lần. Kiểm tra xem đèn báo BẬT/TẮT có sáng theo sự điều khiển của công tắc hay không.
Giá trị tiêu chuẩn:
| Điều kiện đo | Trạng thái công tắc | Điều kiện đúng đo được |
| Cực dương của ắc quy (+) – 5 (IG) Cực âm của ắc quy (-) – 3 (E) | Công tắc sấy kính ở tráng thái BẬT | Đèn sáng |
Cấp nguồn cho công tắc và kiểm tra như hình 6:

=> Nếu kết quả đo được không như tiêu chuẩn thì ta thay cụm công tắc.
- Đo điện trở công tắc:
Giá trị tiêu chuẩn

=> Nếu kết quả đo được không như tiêu chuẩn thì ta thay cụm công tắc.
3.5. Kiểm tra kính chắn gió phía sau (Dây sấy kính)
- Xoay chìa khóa sang vị trí ON.
- Bật công tắc sấy kính phía sau.
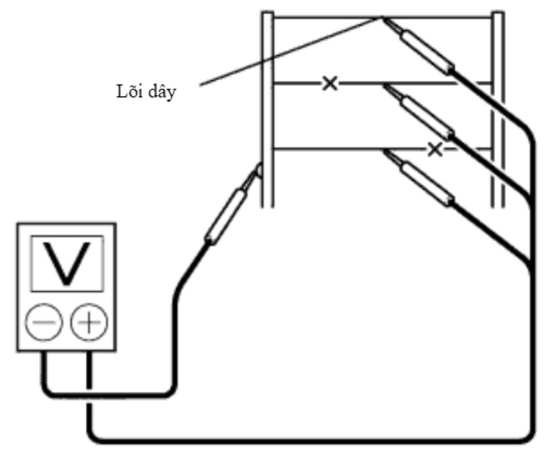
- Đo điện áp tại lõi mỗi dây sấy như hình 7.
Điện áp tiếu chuẩn

Lưu ý: Nếu có điện áp xấp xỉ 10 V thì dây có thể bị lỗi giữa lõi dây và đầu dây phía dương bình. Nếu không có điện áp, dây có thể bị lỗi giữa lõi đầu dây và đầu dây phía mass.

- Đặt chân dương (+) của vôn kế vào dây sấy kính ở phía dương bình.
- Đặt chân âm (-) của vôn kế cùng với dải giấy bạc áp vào dây mass như hình 8.

- Kéo dây dương (+) của vôn kế từ phía dương bình xuống phía mass như hình 9.
- Tại điểm mà điện áp giảm từ 10V xuống 0V là nơi dây sấy bị đứt.

Trên đây là toàn bộ thông tin về chủ đề: Toyota Innova 2013 bị mất sấy gương kính phía sau mà trung tâm VATC muốn gửi đến bạn. Hy vọng kiến thức này giúp ích cho bạn trong lĩnh vực kỹ thuật ô tô.
Nếu bạn có đang đam mê hoặc muốn tìm hiểu về các khóa học trong ngành ô tô thì liên hệ ngay với trung tâm VATC theo thông tin dưới đây để được tư vấn chi tiết nhất nhé!
Trung Tâm Huấn Luyện Kỹ Thuật Ô Tô Việt Nam – VATC
- Địa chỉ: Số 4-6, Đường số 4, Phường Hiệp Bình Phước, Thành Phố Thủ Đức, Thành phố Hồ Chí Minh
- Điện thoại: 0945711717
- Email: info@oto.edu.vn
Xem thêm:

