Hôm nay, trung tâm VATC giới thiệu đến bạn kiến thức về kiểm tra hệ thống đánh lửa Toyota Camry 1990 3S-FE hay nói cụ thể hơn là: Quy trình kiểm tra hệ thống...
Việc thay thế cần gạt mưa giúp đảm bảo khả năng quan sát tốt trong mọi điều kiện thời tiết. Quá trình này khá đơn giản và bạn có thể tự thực hiện ngay...
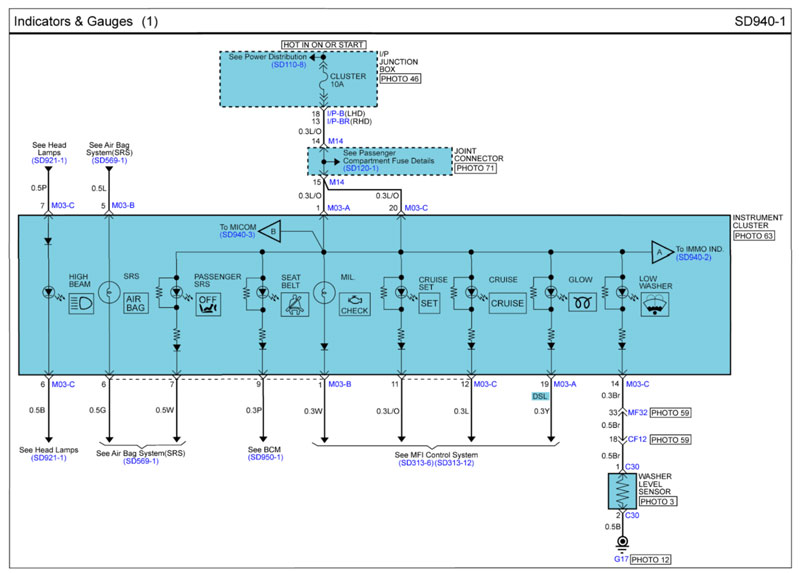
Tìm hiểu toàn bộ thông tin về chủ đề: Kim báo nhiệt độ động cơ không hoạt động trên xe KIA CARENS 2008 cùng trung tâm VATC nhé! 1. Hiện tượng Hiện tượng: Trên...
Tìm hiểu lỗi Khi on chìa, đèn báo nhiệt độ động cơ không sáng trên xe KIA CARENS 2008 và cách khắc phục cùng trung tâm VATC qua bài viết sau đây. 1. Hiện...
Hôm nay, cùng trung tâm VATC tìm hiểu về chủ đề: kim báo mức nhiên liệu không hoạt động trên xe KIA CARENS 2008 và cách xử lý chúng nhé! 1. Hiện tượng Hiện...
Bạn đang gặp phải lỗi đồng hồ báo nhiên liệu không đúng trên xe Mazda CX5 2017 nhưng chưa biết cách xử lý như thế nào? Vậy thì đọc đến cuối bài viết này...
Hôm nay, cùng VATC đi tìm hiểu cách sửa chữa hệ thống nâng hạ kính các cửa phụ bị lỗi trên xe Mazda CX5 2017 qua bài viết sau đây. Đọc đến hết bài...
Công nghệ phun nước vào buồng đốt là một kỹ thuật được sử dụng trong động cơ đốt trong, nhằm cải thiện hiệu suất hoạt động, giảm lượng khí thải độc hại và tăng...
Phuộc (giảm xóc) là một bộ phận quan trọng trong hệ thống treo trên xe ô tô, đảm bảo sự êm ái khi xe di chuyển trên những con đường gồ ghề. Việc kiểm...
Việc kiểm tra rotuyn định kỳ là rất cần thiết để đảm bảo an toàn khi lái xe, tránh tình trạng hỏng hóc, gây mất lái hoặc tai nạn. Bài học hôm nay, hãy...