Hệ thống treo khí nén EMAS là một giải pháp công nghệ tiên tiến, được thiết kế để nâng cao sự thoải mái, tính linh hoạt và hiệu suất vận hành cho các loại...
Đến với bài viết kỹ thuật ngày hôm nay của trung tâm VATC, hãy cùng tìm hiểu chi tiết về chủ đề: các loại mạch điện. Đọc đến hết bài viết để không bỏ...
Màn hình Android trên xe ô tô là một thiết bị công nghệ hiện đại, giúp nâng cấp trải nghiệm lái xe với nhiều tính năng thông minh và tiện ích. Ngoài việc hỗ...
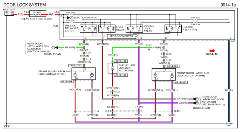
Hệ thống khóa cửa 2 lớp (Double Locking System) là một tính năng an toàn được trang bị trên nhiều dòng xe hiện đại, bao gồm cả Mazda. Hệ thống này giúp tăng cường...
Hệ thống âm thanh trên dòng xe Mazda 3 giúp mang đến trải nghiệm giải trí cách thoải mái. Và bài viết ngày hôm nay của trung tâm VATC sẽ giúp bạn biết cách...
Thông tin xe: Mazda CX-5 (AWD) 2016, L4-2.5L (SKYACTIV-G) Mã lỗi P0118: ECT sensor No.1 circuit high input / Lỗi mạch đầu vào cao của cảm biến nhiệt độ nước làm động cơ số...
Thông tin xe: Toyota Camry (LE) A25A-FKS đời 2019, L4-2.5L. Mã lỗi P211172: Throttle Actuator “A” Control System Actuator Stuck Open / Cơ cấu điều khiển bướm ga bị kẹt hở. Mã lỗi P211173:...
Thông tin xe: Hyundai Sonata (NF) 2012, động cơ 2.4 DOHC Mã lỗi P0336: Crankshaft Position Sensor “A” Circuit Range/Performance / Lỗi hiệu suất làm việc của cảm biến vị trí trục khuỷu “A”...
Bạn đang muốn kiểm tra cảm biến tốc độ bánh xe trên xe KIA Sorento nhưng chưa biết bắt đầu từ đâu? Vậy thì bài viết này là dành cho bạn. Đọc đến hết...