Dưới đây là định nghĩa của đĩa phanh và phanh trống, chúng ta hãy cùng xem xét các khía cạnh thiết kế, cấu tạo, công năng để đánh giá sự khác nhau của chúng...
1. Định nghĩa Hệ thống treo nhíp là một loại hệ thống treo thường được sử dụng trong nhiều loại xe khác nhau, đặc biệt là xe tải, SUV và xe thương mại. Nó...
1. Lịch sử phát triển mạng CAN Mạng can là một giao thức giao tiếp được ra mắt lần đầu tiên bởi Robert Bosch GmbH, Đức vào năm 1986 và được công nhận bởi...
1. Khái niệm HY2213 – BB34 là một IC cân bằng sạc, thuộc dòng sản phẩm HY2213 được tạo ra dùng cho pin Li-ion, có thể được sử dụng cho các gói pin hoặc...
1. Tổng quan về ECU ECU (Electronic control Unit) là hệ thống điều khiển điện tử của xe ô tô với mục đích tiếp nhận thông tin, chi phối và ghi lại các hoạt...
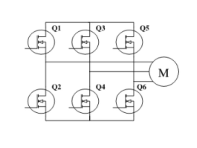
1. Nguyên lý hoạt động Trên xe điện, nguồn năng lượng sử dụng cho động cơ là nguồn pin Lithium-ion, là nguồn điện một chiều, Nên cần phải có một thiết bị để chuyển...
Khi động cơ hoạt động và hệ thống điều hòa xe Toyota Camry 2006 (2AZ-FE) không hoạt động bị mất nguồn và không điều khiển được bất cứ chế độ nào ta cần thực...
Mã lỗi B1413 (Evaporator Temperature Sensor Circuit) là mã lỗi phổ biến thường gặp có liên quan đến cảm biến nhiệt độ giàn bay hơi trong hệ thống điều hòa không khí ô tô....